Description
Description
Maretron 0-500 PSI Transducer
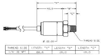
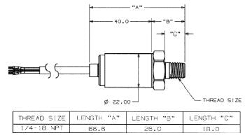
Pressure Transducer Mechanical Drawing
Pressure Transducer Specifications Part Number
Range
Accuracy
Type
PT-0-3PSI-01
0 to 3 PSI (0.21 bar)
± 2% Full Scale
Gauge
PT-0-5PSI-01
0 to 5 PSI (0.34 bar)
± 2% Full Scale
Gauge
PT-0-10PSI-01
0 to 10 PSI (0.69 bar)
± 2% Full Scale
Gauge
PT-0-50PSI-01
0 to 50 PSI (3.45 bar)
± 1% Full Scale
Gauge
PT-0-100PSI-01
0 to 100 PSI (6.89 bar)
± 0.5% Full Scale
Gauge
PT-0-500PSI-01
0 to 500 PSI (34.47 bar)
± 0.5% Full Scale
Absolute
PT-0-3000PSI-01
0 to 3000 PSI (206.84 bar)
± 0.5% Full Scale
Absolute
Specification
Value
Operating Temperature
-40°C to 105°C
Storage Temperature
-40°C to 105°C
Proof Pressure
2.4 Full Scale
Burst Pressure
2.4 Full Scale
Reverse Voltage Protection
± 16V over 5 Minutes
Construction
304L stainless steel
Pressure/Temperature Cycles
0 to FS @ 8Hz; and ?40°C to 105°C for > 1.8x106 cycles
Thermal Shock
105°C to ?40°C, 0.5 hr soaks at Temp. (2s Transfer) for 300 cycles
Vibration
100 to 2000 Hz, 20g Sinusoidal, 3 Axes for 144 hours
EMC Compatibility
10 Volts/meter per EN 61000-4-3
Humidity
85°C and 90% to 95% R. H. for 250 hours
Weight
85g
Payment & Security
Payment methods
Your payment information is processed securely. We do not store credit card details nor have access to your credit card information.
